媒体管理器

选择命名空间

媒体文件

[根目录] 中的文件

文件

日期:
2019/01/06 08:59
名称:
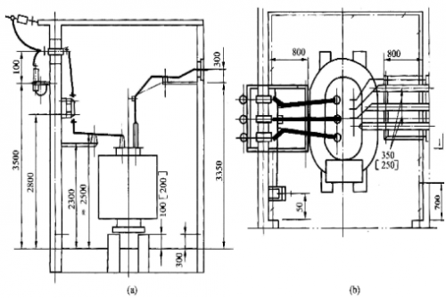
变压器室.png
格式:
PNG
大小:
79KB
宽度:
508
高度:
340
相关的:
建筑变配电所